+7 (909) 074-98-98
Обратный звонок
Отправить готовую заявку
Корзина
Запчасти ДЗ-98
Автогрейдеры ДЗ-98
Услуги
Капитальный ремонт ДЗ 98
Ремонт узлов ДЗ 98
Техническое обслуживание
Аренда ДЗ-98
Покупателю
Доставка и оплата
Гарантии и возврат
Лизинг
Трейд-ин
Новости и акции
Графические каталоги запчастей
Полезная информация
О заводе
О компании
Производство
Партнёрам
Поставщикам
Автомагазинам
Выкуп автогрейдеров ДЗ-98
Контакты
Главная
Графические каталоги
ЧСДМ
ДЗ-98В
Система охлаждения и разогрева двигателя
Система охлаждения и разогрева двигателя ДЗ-98В
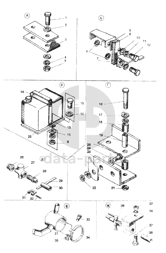
1
2
3
4
5
6
6
7
8
9
10
10
11
11
12
13
14
15
16
17
18
19
20
21
21
22
22
23
24
25
26
27
28
29
30
31
32
33
34
35
36
37
38
39
%
1
М16-6gх65.58.019 7798
Болт
Кол-во
4
?
Оставить заявку
10
С8.02.019 11371
Шайба
Кол-во
44
?
Оставить заявку
11
8.65Г.019 6402
Шайба
Кол-во
36
?
Оставить заявку
12
М8-6gх25.58.019 7798
Болт
Кол-во
24
?
Оставить заявку
13
ДЗ-98В.33.00.104
Скоба
Кол-во
1
?
Оставить заявку
14
ДЗ-98В.33.00.105
Прокладка
Кол-во
1
?
Оставить заявку
15
М8-6gх30.58.019 7798
Болт
Кол-во
2
?
Оставить заявку
16
М10-6gх90.58.019 7798
Болт
Кол-во
8
?
Оставить заявку
17
067.33.12.139
Планка
Кол-во
8
?
Оставить заявку
18
ДЗ-98.33.00.129
Амортизатор
Кол-во
8
?
Оставить заявку
19
ДЗ-98.33.00.128
Втулка
Кол-во
8
?
Оставить заявку
2
С16.02.019 11371
Шайба
Кол-во
8
?
Оставить заявку
20
М12-6gх25.58.019 7798
Болт
Кол-во
13
?
Оставить заявку
21
М10.6Н.5.019 5915
Гайка
Кол-во
10
?
Оставить заявку
22
М12.6Н.5.019 5915
Гайка
Кол-во
9
?
Оставить заявку
23
ДЗ-98В.33 00.107
Кронштейн
Кол-во
4
?
Оставить заявку
24
067.33.12.145
Планка
Кол-во
12
?
Оставить заявку
25
ДЗ-98В.33.00.106
Прокладка
Кол-во
1
?
Оставить заявку
26
ДЗ-98В.33.00.028
Штуцер
Кол-во
1
?
Оставить заявку
27
11Б 6бк (20-10)
Краник муфтовый
Кол-во
1
?
Оставить заявку
28
Д395В.37.00.040-01
Штуцер
Кол-во
1
?
Оставить заявку
29
Д394-0402.090
Лента
Кол-во
16
?
Узнать цену
Д3940402090
Лента Д394-0402.090
1 в наличии
цена по запросу
Количество
3
Д395-0303.030
Подушка радиатора
Кол-во
2
?
Оставить заявку
30
ДЗ-98В.33.00.034
Рукав 16х25-16
Кол-во
1
?
Оставить заявку
31
700-41-3442
Рамка
Кол-во
16
?
Узнать цену
700413442
Рамка 700-41-3442
Под заказ
цена по запросу
Количество
32
6,3х36.019 397
Шплинт
Кол-во
16
?
Оставить заявку
33
М10-6gх30.58.019 7798
Болт
Кол-во
2
?
Оставить заявку
34
ДЗ-98В.33.24.000
Хомут
Кол-во
6
?
Оставить заявку
35
10.65Г.019 6402
Шайба
Кол-во
2
?
Узнать цену
1065Г0196402
Шайба 10.65Г.019 6402
Под заказ
цена по запросу
Количество
36
2201С-28-Б
Краник проходной
Кол-во
2
?
Оставить заявку
37
М12-6gх25.58.019 7798
Болт
Кол-во
0
?
Оставить заявку
38
ДЗ-98В.31.00.120-01
Труба
Кол-во
1
?
Оставить заявку
39
12.65Г.019 6402
Шайба
Кол-во
5
?
Узнать цену
1265Г0196402
Шайба 12.65Г.019 6402
Под заказ
цена по запросу
Количество
4
16.65Г.019 6402
Шайба
Кол-во
4
?
Узнать цену
1665Г0196402
Шайба 16.65Г.019 6402
Под заказ
цена по запросу
Количество
5
М16.6Н.5.019 5915
Гайка
Кол-во
4
?
Оставить заявку
6
М8.6Н.5.019 5915
Гайка
Кол-во
20
?
Оставить заявку
7
ДЗ-98В3.33.00.004
Прокладка
Кол-во
2
?
Оставить заявку
8
ДЗ-98В.33.00.103
Прокладка
Кол-во
2
?
Оставить заявку
9
ДЗ-98ВЗ.33.00.003
Прокладка
Кол-во
1
?
Оставить заявку
Получить консультацию
У нас большой опыт по подбору запчастей, и мы с радостью поможем вам найти нужную деталь, даже если вы не знаете ее артикул
Максим Сергеевич
Начальник отдела продаж
zakaz@bazadz98.ru
+7 (909) 074-98-98
Viber
WhatsApp
telegram
Вы должны включить JavaScript чтобы использовать эту форму.
Ваше имя
Ваш телефон
Комментарий
Отправляя форму вы подтверждаете согласие с
политикой обработки персональных данных
.