+7 (909) 074-98-98
Обратный звонок
Отправить готовую заявку
Корзина
Запчасти ДЗ-98
Автогрейдеры ДЗ-98
Услуги
Капитальный ремонт ДЗ 98
Ремонт узлов ДЗ 98
Техническое обслуживание
Аренда ДЗ-98
Покупателю
Доставка и оплата
Гарантии и возврат
Лизинг
Трейд-ин
Новости и акции
Графические каталоги запчастей
Полезная информация
О заводе
О компании
Производство
Партнёрам
Поставщикам
Автомагазинам
Выкуп автогрейдеров ДЗ-98
Контакты
Главная
Графические каталоги
ЧСДМ
ДЗ-98В
Система всасывания и выхлопа
Система всасывания и выхлопа ДЗ-98В
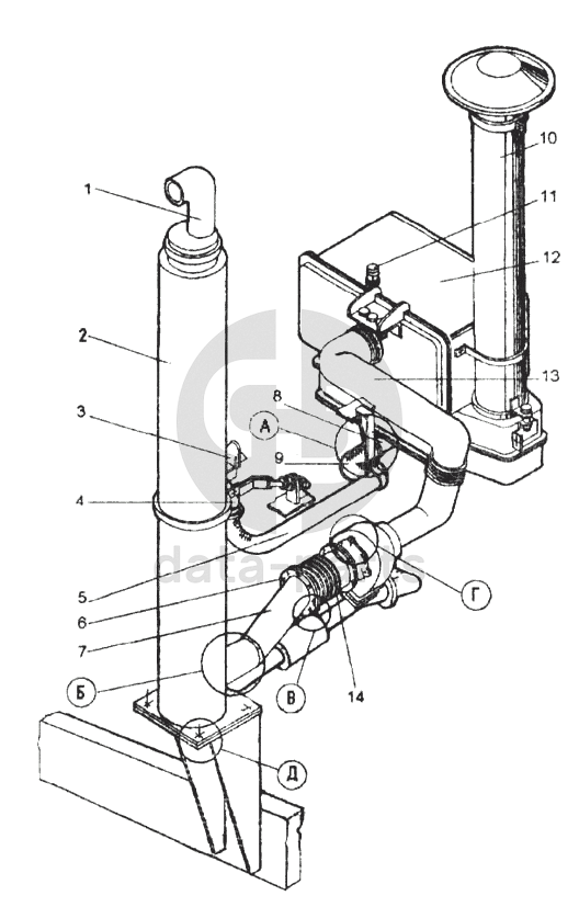
1
2
3
4
5
6
7
8
9
10
11
12
13
14
%
1
2256010-12.00.120
Насадок
Кол-во
1
?
Оставить заявку
10
ДЗ-98В.32.00.200
Воздухозаборная труба
Кол-во
1
?
Оставить заявку
11
ИЗВ-500
Индикатор засоренности воздуха
Кол-во
1
?
Оставить заявку
12
2256010-19.04.000
Воздухоочиститель второй ступени
Кол-во
1
?
Оставить заявку
13
125х925
Рукав
Кол-во
1
?
Оставить заявку
14
ДЗ-98.32.00.590
Компенсатор
Кол-во
1
?
Оставить заявку
2
2256010-12.00 070
Глушитель
Кол-во
1
?
Оставить заявку
3
ДЗ-98В.32.00.106
Стойка
Кол-во
2
?
Оставить заявку
4
ДЗ-98В.32.00.134
Труба
Кол-во
1
?
Оставить заявку
5
ДЗ-98В.32.00.107
Рукав 50х61.5 16 I=1600 мм
Кол-во
1
?
Оставить заявку
6
ДЗ-98.32.00.059
Прокладка
Кол-во
2
?
Оставить заявку
7
ДЗ-98В.32.00.100
Труба
Кол-во
1
?
Оставить заявку
8
ДЗ-98В.32.00.136
Рукав 50х16.5-16 I=150 мм
Кол-во
2
?
Оставить заявку
9
ДЗ-98В.32.00.140
Переходник
Кол-во
1
?
Оставить заявку
Получить консультацию
У нас большой опыт по подбору запчастей, и мы с радостью поможем вам найти нужную деталь, даже если вы не знаете ее артикул
Максим Сергеевич
Начальник отдела продаж
zakaz@bazadz98.ru
+7 (909) 074-98-98
Viber
WhatsApp
telegram
Вы должны включить JavaScript чтобы использовать эту форму.
Ваше имя
Ваш телефон
Комментарий
Отправляя форму вы подтверждаете согласие с
политикой обработки персональных данных
.