+7 (909) 074-98-98
Обратный звонок
Отправить готовую заявку
Корзина
Запчасти ДЗ-98
Автогрейдеры ДЗ-98
Услуги
Капитальный ремонт ДЗ 98
Ремонт узлов ДЗ 98
Техническое обслуживание
Аренда ДЗ-98
Покупателю
Доставка и оплата
Гарантии и возврат
Лизинг
Трейд-ин
Новости и акции
Графические каталоги запчастей
Полезная информация
О заводе
О компании
Производство
Партнёрам
Поставщикам
Автомагазинам
Выкуп автогрейдеров ДЗ-98
Контакты
Главная
Графические каталоги
ЧСДМ
ДЗ-98В
Кабина
Кабина ДЗ-98В
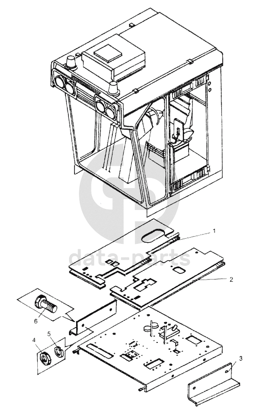
1
2
3
4
5
6
%
1
ДЗ-140А.51.02.027-31
Коврик
Кол-во
1
?
Оставить заявку
2
ДЗ-140А.51.02.026-31
Коврик
Кол-во
1
?
Оставить заявку
3
ДЗ-140А.51.01.241
Ступенька
Кол-во
2
?
Оставить заявку
4
М20-6Н.5.019 5915
Гайка
Кол-во
4
?
Оставить заявку
5
20.65Г.069 6402
Шайба
Кол-во
4
?
Узнать цену
2065Г0696402
Шайба 20.65Г.069 6402
Под заказ
цена по запросу
Количество
6
М20-6gх45 7798
Болт
Кол-во
4
?
Оставить заявку
Получить консультацию
У нас большой опыт по подбору запчастей, и мы с радостью поможем вам найти нужную деталь, даже если вы не знаете ее артикул
Максим Сергеевич
Начальник отдела продаж
zakaz@bazadz98.ru
+7 (909) 074-98-98
Viber
WhatsApp
telegram
Вы должны включить JavaScript чтобы использовать эту форму.
Ваше имя
Ваш телефон
Комментарий
Отправляя форму вы подтверждаете согласие с
политикой обработки персональных данных
.